Know more about Flipsky FS65161 motor
  
Ⅰ.Specification
| 
 Model No  | 
 Motor 65161  | 
 KV Value  | 
 100/120KV/Customized  | 
| 
 Max Current  | 
 200A  | 
 Input Volt  | 
 6-20S Lipo  | 
| 
 Max Output Watt  | 
 6000W  | 
 Max Torque  | 
 9N.m  | 
| 
 Max Working Tem.  | 
 120 °C  | 
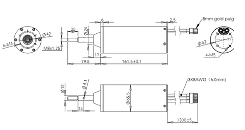
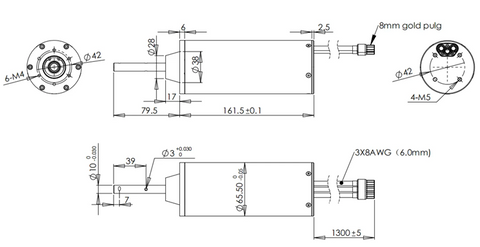
 Shaft  | 
 10/12mm  | 
| 
 Propeller  | 
 7.25x5 inch  | 
 Motor Size  | 
 161*65mm  | 
| 
 Idle Current  | 
 @8.4V no-load: 1.5A  | 
 Sensorless  | 
 Yes  | 
| 
 Winding Turn  | 
 2T  | 
 Magnet  | 
 45SH  | 
| 
 Insulation voltage and leakage current  | 
 AC500V/1MA/3S  | 
 Stator  | 
 Chip 0.2mm  | 
| 
 Motor Cable  | 
 8AWG*1300mm  | 
 Motor Cable Connector  | 
 8WG AMASS Gold plated connector  | 
| 
 Application  | 
 Efoil, Electric surfboard, Electric Hydrofoil, Foilsurf, Surffoil, RC Boat, Esurf, Jetski, Jetboard, etc.,  | 
||
Ⅱ.Advantages
1.Structure
Change from the conventional seal cylindrical shape to the seal cone line. Looks more distinctive from the others.
2.Add options: With threads or not
Some customers have corresponded propeller requirements, and they have not found a propeller that matches the 12mm shaft. There are only a propeller with a size of 10mm. Therefore, the motor bearing size is changed to 10mm. No thread, non-YAMAHA style, use two bolts to clamp the propeller at both ends.
12mm :The thread of the threaded shaft is M8x1.25


10mm: Propeller size for shaft without thread: 7.25 " x 5


3.Sealing method
We use water seal/ceramic seal. During the production, a ceramic ring is added to reduce the direct contact between the sealing ring and the bearing, which can extend the bearing life and improving the waterproof performance.
Tips: The service life of the motor is mainly related to the bearing, which is about 10,000 hours, but the specific service life depends on the use environment.

Ⅲ. FS65161 has a waterproof rating of IP68 and it can be used under 30-40m water. Anti-anodizing treatment and anti-corrosion, thus it also works in the sea. Common application areas are Esurfing/Ejet/Efoil/Racing Boat/Yacht/Jetski/Speed Boat/Jet Surf etc.

Ⅳ.Propeller
Propellers are usually composed of blades and paddle valleys. The connecting part of the propeller and the tail shaft is the paddle valley, which is generally a cone. In order to reduce the water resistance, a fairing (hub cap) is added at the rear end of the paddle valley to form a light downstream streamline body with the paddle valley. The blades are fixed on the paddle valley. The propeller generally has 2-6 blades. The more the blades (Z), the smaller the vibration of the blade.
When the propeller rotates, the circular locus of the blade tip is called tip circle. The diameter of the tip circle is the diameter D of the propeller, the distance from the blade tip to the center line of the blade is called the propeller radius R, and the area of the tip circle is called the disc area A of the propeller.
When the propeller is rotating in the forward direction, look forward from the stern. If the steering is clockwise, it is called right-handed, otherwise it is left-handed. When the double-propeller ship is rotating, the upper part of the two propellers rotates toward the centerline of the ship, which is called internal rotation, and vice versa.
When the ship moves forward, the side where the blade pushes the water (that is, the side seen when looking forward from the stern) is called the leaf surface; the opposite side is called the leaf back. The lower end of the blade connected to the paddle valley is called the blade root, where the blade profile is the thickest; the outermost end of the blade is called the blade tip, and the blade profile here is the thinnest.
When the propeller rotates forward, the side where the blade first contacts the water is called the leading side, and the other side is called the following side.
Our propeller
1.Status: 100% new
2.Color :White
3.Applicable model: Yamaha 2 stroke 2 HP 2.5HP
4.Product weight: 150g
5.Specification: 7 1/4x5-A


Ⅴ. FAQ
1.What does the speed related with in using?
The speed is related with the thread pitch: the distance that the propeller enters in front of the water for each rotation (resistance should be considered)
2.How to choose the KV value?
It all depends on your need for speed. If you want faster, choose a higher KV value, on the contrary choose a smaller KV value. 100KV and 120KV are the most popular. Of course, the other different KV values can also be customized, MOQ: 10pcs.
  
  
  
  
  
  
  
  
  
Leave a comment